Z-Match Antenna Hangolo
Moderator: ha5clf
Z-Match Antenna Hangolo
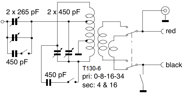
Epitettem valamikor tavasszal egy Z-Match antenna hangolot. Igazabol nem is tudom miert, de egy amatornek az a valasz is jo, hogy: csak legyen.
73 - Istvan/ha5clf
