Minden project legkevesbe elvezetes resze egy radioamator szamara a bedobozolas (jo, majdnem minden radioamator szamara). Tehat van egy szep dobozom amibe tokeletesen belefer az uj kutyu. Egyenlore szep, majd meglatjuk furas-faragas utan is szep lesz e.
Minden esetre amig megerkezik a nyak es nehany megrendelt alkatresz, addig johet a dobozolas "orome" es a kabelek elkeszitese.
Ez pedig a tervezett elol es hatul nezet.
			
			
									
						
							Taviro tanulo eszkoz Arduinoval
Moderator: ha5clf
Re: Taviro tanulo eszkoz Arduinoval
73 - Istvan/ha5clf
			
						Re: Taviro tanulo eszkoz Arduinoval
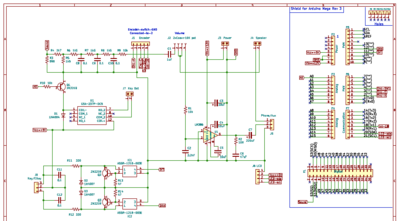
Elkeszult az Arduino Shield terve is. Egyenlora kivancsian varom ha majd megerkezik a nyak, hogy osszerakjam es kiprobaljam. Ide tettem a kepekt es az aramkort.
			
			
									
						
							73 - Istvan/ha5clf
			
						Re: Taviro tanulo eszkoz Arduinoval
Annyi applikacio letezik a mobil eszkozokre manapsag, miert van szukseg egy ilyen keszulekre? A mobil applikacio megfelel egyeni tanulasra vagy gyakorlashoz, viszont tanteremben valo oktatashoz nem alkalmas. Hol van szukseg tantermi taviro oktatashoz? Hat elobb utobb majd csak akad ilyen lehetoseg, addig is segitek a klubtarsaimnak morzet tanulni.
			
			
									
						
							73 - Istvan/ha5clf
			
						Re: Taviro tanulo eszkoz Arduinoval
A szoftver elkeszult, legalabbis az elso verzio. Koch tanito funkcioval a kezdo tanulok szamara, es haladoknak random kulonfele csoportositasban. Majd elkey es billentyu gyakorlashoz kiegeszitve az adas elsajatitasahoz. Egy seged aramkor nyak tervezesehez osszeszedtem a megfelelo aramkoroket, amiket egyenkent kiprobaltam es igy elerkezett a nyak tervezesenek a fazisa. Kozben ide teszem a nyak tervezesehez az elokeszitett anyagot.
Sajnos PDF dokumentumot vagy Word dokumentumot ide nem lehet beszurni, igy zip file-kent szurtam be.
Mihelyt elkeszul a teljes aramkori terv es a nyak terve azt is posztolom ide.
			
			
									
						
							Mihelyt elkeszul a teljes aramkori terv es a nyak terve azt is posztolom ide.
73 - Istvan/ha5clf
			
						Re: Taviro tanulo eszkoz Arduinoval
Elkeszult a software, nagyjabol amit elkepzeltem sikerult megvalositani. Meg a sebesseg kalibralasa van hatra es persze a dobozolas. Arra gondoltam, ne csak a vetelt lehessen vele gyakorolni, hozzaadom meg a billentyu es az elkey tamogatast is. Igy lesz kerek ez a tanito eszkoz.
Az arduino mellett a kisebb panel nem ehhez keszult, de mivel tartalmaz egy hangfrekvencias erositot, igy ezt fogom beepiteni. A hang 300-tol 1200 Hz-ig allithato es negyszog jel. Ezzel meg fogok kiserletezni, ugyanis egy szuro segitsegevel talan szebb hangot tudok kihozni belole.
Ime a kep:
			
			
									
						
							Az arduino mellett a kisebb panel nem ehhez keszult, de mivel tartalmaz egy hangfrekvencias erositot, igy ezt fogom beepiteni. A hang 300-tol 1200 Hz-ig allithato es negyszog jel. Ezzel meg fogok kiserletezni, ugyanis egy szuro segitsegevel talan szebb hangot tudok kihozni belole.
Ime a kep:
73 - Istvan/ha5clf
			
						Taviro tanulo eszkoz Arduinoval
Kiprobaltam tobb mobilra vagy laptopra letoltheto vagy akar on-line CW morze tanulo eszkozt, de egyik sem tesztett 100%-osan nekem. Mindegyikkel volt valami kifogasom. Igy vegul is eldontottem keszitek egy ilyen eszkozt. Mi a celom vele? Eloszor is gyakorolni es feltornaszni a morze tudasomat. De ha mar ilyen eszkozt keszitek, legyen meg a lehetoseg, hogy tanulni/tanitani is lehessen vele. Tartalmazni fogja a Koch betu sorozatot es a Farnsworth sebesseg beallitasokat is. A fo funkciok:
1) Handszoroban vagy fulhalgatoval hallhato gyakorlo morze kod lejatszas
2) Allithato ossz sebesseg 5-tol 40 WPN-ig
3) Allithato Farnsworth sebesseg, vagyis karacter sebesseg ugy, hogy az ossz-sebesseg automatikusan kompenzalodjek, es maradjon az eredeti beallitott sebessegen.
4) Legyen kivalaszthato, hogy melyik betuk, szamok, es irasjelek legyenek kivalasztva a gyakorlathoz
5) Allithato legyen betu, szam, es az irasjelek tetszoleges keverese
6) Kivalaszthato legyen a Koch karacter sorozattal valo tanulas
7) A hang tonus valtoztathato legyen
8) A hangero valtoztathato legyen
9) A kivalasztott konfiguracio elmentheto vagy visszatoltheto legyen
10) Legyen egy alap beallitas amit az ugy nevezett factory reset-bol lehet visszanyerni
11) Legyen egy elvalasztott kimenet amit egy taviro bemenetre lehet kapcsolni
12) LCD displayen legyen a kivalasztas lehetosege
13) LCD displayen mutassa eppen milyen karaktert general, es ez skrollolhato legyen a vetel ellenorzesehez
14) Legyen egy laptop iterface amivel a laptoprol is kezelheto legyen
Mivel en irom a programot, mihelyt eszembe jut valami uj funkcio azt is beleprogramozhatom.
Egyenlore ennyi, rovidesen jonnek kepek is.
			
			
									
						
							1) Handszoroban vagy fulhalgatoval hallhato gyakorlo morze kod lejatszas
2) Allithato ossz sebesseg 5-tol 40 WPN-ig
3) Allithato Farnsworth sebesseg, vagyis karacter sebesseg ugy, hogy az ossz-sebesseg automatikusan kompenzalodjek, es maradjon az eredeti beallitott sebessegen.
4) Legyen kivalaszthato, hogy melyik betuk, szamok, es irasjelek legyenek kivalasztva a gyakorlathoz
5) Allithato legyen betu, szam, es az irasjelek tetszoleges keverese
6) Kivalaszthato legyen a Koch karacter sorozattal valo tanulas
7) A hang tonus valtoztathato legyen
8) A hangero valtoztathato legyen
9) A kivalasztott konfiguracio elmentheto vagy visszatoltheto legyen
10) Legyen egy alap beallitas amit az ugy nevezett factory reset-bol lehet visszanyerni
11) Legyen egy elvalasztott kimenet amit egy taviro bemenetre lehet kapcsolni
12) LCD displayen legyen a kivalasztas lehetosege
13) LCD displayen mutassa eppen milyen karaktert general, es ez skrollolhato legyen a vetel ellenorzesehez
14) Legyen egy laptop iterface amivel a laptoprol is kezelheto legyen
Mivel en irom a programot, mihelyt eszembe jut valami uj funkcio azt is beleprogramozhatom.
Egyenlore ennyi, rovidesen jonnek kepek is.
73 - Istvan/ha5clf
			
						
