Én most nagyon be vagyok izgulva egy W3DZZ-re. Most olvasgatom, hogyan lehet hozzá trapot készíteni. Ugyan nincs antenna mérő műszerem, de csak megoldható valahogy.
Pl itt egy szimoatikus megoldás:
https://rsars.files.wordpress.com/2013/ ... s-1-31.pdf
Ha kicsit felélegezhetek a kerti munkából, akkor neki is állok.
A delta-loop-al kapcsolatban még egyeztetek a szomszéddal.
András, neked mi van kint?
Balun, unun, stb.
Moderator: ha5clf
Re: Balun, unun, stb.
Inkább a random után, de jó kérdés, azért valljuk be méret- és frekifüggő. (pl: randomra kihúzok 37 métert a 3,5 MHz-re, azt melyik m.loop űbereli?)
Tényleg Dani viccet félretéve, van helyed bőven. Delta-loop a te antennád!
Tényleg Dani viccet félretéve, van helyed bőven. Delta-loop a te antennád!
.... .- ..... -.. ... .-
Re: Balun, unun, stb.
A dipól is többsávos:D
Dani! én a helyedben minden sávra egy rezonáns antennát árammaximumban táplálva. Ha nem tudsz több antennát akkor Doubletet állítanék. Ha nem megoldható akkor Zeppelin, ha az se akkor Windom, azt se akkor jöhet egy Long wire, ha az se akkor End-fed, ha az se akkor Random wire, ha az se jó akkor egy Rövidített tekercs, aztán EH. Alább nincs ez már 0,97dB:D
Persze még mindig ott marad a SOTA:)
Dani! én a helyedben minden sávra egy rezonáns antennát árammaximumban táplálva. Ha nem tudsz több antennát akkor Doubletet állítanék. Ha nem megoldható akkor Zeppelin, ha az se akkor Windom, azt se akkor jöhet egy Long wire, ha az se akkor End-fed, ha az se akkor Random wire, ha az se jó akkor egy Rövidített tekercs, aztán EH. Alább nincs ez már 0,97dB:D
Persze még mindig ott marad a SOTA:)
.... .- ..... -.. ... .-
Re: Balun, unun, stb.
Szia István!
Köszönöm a sok infót. Jó lenne mindegyiket kipróbálni, de egyelőre nem volt túl sok időm. Sajnos most a kerti munkák miatt az antenna oszlopot is el kellett bontanom. Majd talán a hétvégén visszakerül. Olvasgattam az antenna könyvet, hogy milyen antennák vannak még, amiket ki tudnék próbálni. Talán a következő, egy W3DZZ lesz, mert az hasonlít egy dipólra csak többsávos.
Közben nagyon elgondolkoztam egy antenna mérő műszeren. Sokat segítene a kísérletezésben. Majd talán karácsonyra meglepem magam vele. Te mivel szoktad a méréseidet végezni?
Sajnos nem tudtam kedden elmenne a SOTA-s előadásra, de gondolom volt szó a "mobil" antennákról is. Te miket szoktál magaddal vinni?
Üdv Dani
Köszönöm a sok infót. Jó lenne mindegyiket kipróbálni, de egyelőre nem volt túl sok időm. Sajnos most a kerti munkák miatt az antenna oszlopot is el kellett bontanom. Majd talán a hétvégén visszakerül. Olvasgattam az antenna könyvet, hogy milyen antennák vannak még, amiket ki tudnék próbálni. Talán a következő, egy W3DZZ lesz, mert az hasonlít egy dipólra csak többsávos.
Közben nagyon elgondolkoztam egy antenna mérő műszeren. Sokat segítene a kísérletezésben. Majd talán karácsonyra meglepem magam vele. Te mivel szoktad a méréseidet végezni?
Sajnos nem tudtam kedden elmenne a SOTA-s előadásra, de gondolom volt szó a "mobil" antennákról is. Te miket szoktál magaddal vinni?
Üdv Dani
Re: Balun, unun, stb.
Szia Dani,
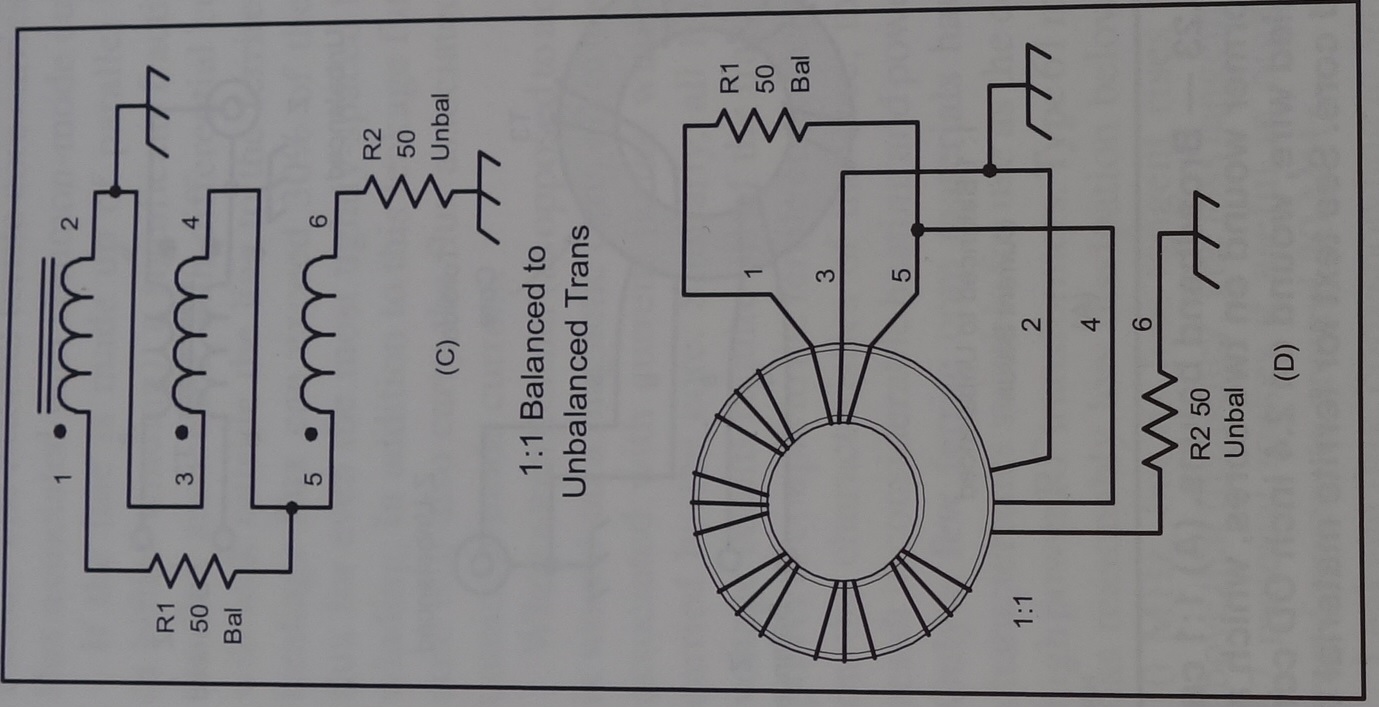
Amit epitettel az egy 1:1 Ruthroff feszultseg balun (feszultseg transformator, ha jobban megnezed). Altalaban a feszultseg balunok valamennyire egy auto-transformatora emlekeztetnek. Igy is lehet rajzolni, hogy jobban lathato legyen:
Van amikor a betaplalasi pontot eltoljak, peldaul a Windom antennanal igy magasabb impedanciaval taplalhato (itt 1:4-es balunt hasznalnak). A vegen taplalt "long wire" antenna pedig 1:9 unun (nem balun) van taplalva. Az unun az unbalanced-to-unbalanced. A balun az balanced-to-unbalanced.
Van egy doublet antennam amit egy 450 ohmos feedline-nal taplalok. Ez ugye balanced, igy aztan szukseg van egy 1:4 balunra. Jol mukodik vele. En meglattam egy leirast egy 1:9 balun-rol es megepitettem kiserlet kedveert, es nagy meglepetesemre igen jol mukodott (itt van valahol a leirasa lejebb) es azzal taplaltam a doublettot. Az egy aram balun (choke balun masneven). Ez peldaul egy 1:1 aram balun.
A menetek visszahajtasanak nincs jelentosege elektromos szempontbol (valojaban egy iranyban folytatodik a menetek szama tovabb), viszont mechanikailag van jelentosege. Egyik vegen be, masik vegen ki, konyebb a szereles szempontjabol. Talan mivel a kezdet es a vege a tekercsnek messze van egymastol, kisebb a szort kapacitas...talan.
Amit epitettel az egy 1:1 Ruthroff feszultseg balun (feszultseg transformator, ha jobban megnezed). Altalaban a feszultseg balunok valamennyire egy auto-transformatora emlekeztetnek. Igy is lehet rajzolni, hogy jobban lathato legyen:
A felhullamu dipol az kb 75 Ohm talponti impedancia korul mozog (foleg attol fuggoen milyen magasan van). Egy 7 MHz-en rezonalo felhulamu dipolus 20m magasan kb 60 Ohm talponti impedanciaval fog rendelkezni, persze attol is fugg milyen a talaj alatta es milyen targyak vanak a kozeleben, tehat +/- valtozni fog. Alacsonyabbra helyezeve (nekunk biztos alacsonyabban van) nem hiszem e grafikonbol tudjuk megallapitani, merni kell. Tehat ide az 1:1 balun kell. Van aki nem is tesz balunt ide, csak a koaxot koti ra a dipolra.Melyik antennához jó a 4:1 és a 9:1-es Balun?
Van amikor a betaplalasi pontot eltoljak, peldaul a Windom antennanal igy magasabb impedanciaval taplalhato (itt 1:4-es balunt hasznalnak). A vegen taplalt "long wire" antenna pedig 1:9 unun (nem balun) van taplalva. Az unun az unbalanced-to-unbalanced. A balun az balanced-to-unbalanced.
Van egy doublet antennam amit egy 450 ohmos feedline-nal taplalok. Ez ugye balanced, igy aztan szukseg van egy 1:4 balunra. Jol mukodik vele. En meglattam egy leirast egy 1:9 balun-rol es megepitettem kiserlet kedveert, es nagy meglepetesemre igen jol mukodott (itt van valahol a leirasa lejebb) es azzal taplaltam a doublettot. Az egy aram balun (choke balun masneven). Ez peldaul egy 1:1 aram balun.
A menetek visszahajtasanak nincs jelentosege elektromos szempontbol (valojaban egy iranyban folytatodik a menetek szama tovabb), viszont mechanikailag van jelentosege. Egyik vegen be, masik vegen ki, konyebb a szereles szempontjabol. Talan mivel a kezdet es a vege a tekercsnek messze van egymastol, kisebb a szort kapacitas...talan.
73 - Istvan/ha5clf
Re: Balun, unun, stb.
SAJÁT TAPASZTALAT: AZ EGÉSZHULLÁMÚ HUROK-ANTENNA ALAPFREKVENCIÁN CSAK 1:1 SZIMMETRIZÁLÁST IGÉNYEL, FELHARMONIKUSOKON BEMENŐ IMPEDANCIÁJA 200-300 OHM. ODA KELL AZ ILLESZTŐ, 1:4 BALUN. MEGY PERSZE NÉLKÜLE IS.
Re: Balun, unun, stb.
Szia István,
Elsőnek egy 1:4-est tekercseltem, de nem került beépítésre, mert elbizonytalanodtam. Feri azt mondta, hogy egy teljes hullámú dipólt rakjak ki és ahhoz kell a 4:1-es balun. Viszont az antenna könyvben az volt, hogy a félhullámú dipól rezonál és annak a talpponti impedanciája pedig 70 Ohm körüli. Az antenna könyvben egy szó sem esett a teljes hullámúról ezért készült el ez. A Feri javaslatára a 3 vezetéket összecsavartam fúrógéppel és úgy tekertem meg. A kivitelezés nem lett tökéletes. Majd a héten veszek egy dobozt és véglegesítem. Pár napot kibír csupaszon is.
Csak 5 wattal próbáltam meghajtani eddig. Nem volt rendes műterhelésem. Azt is csak rövid ideig. A 6 menet 28uH-t ad. a teljes Balun mind a két végén 101uH lett.
Viszont lenne pár kérdésem:
Honnan tudom, hogy ez feszültség balun vagy áram balun?
Melyik antennához jó a 4:1 és a 9:1-es Balun?
Üdv Dani
Elsőnek egy 1:4-est tekercseltem, de nem került beépítésre, mert elbizonytalanodtam. Feri azt mondta, hogy egy teljes hullámú dipólt rakjak ki és ahhoz kell a 4:1-es balun. Viszont az antenna könyvben az volt, hogy a félhullámú dipól rezonál és annak a talpponti impedanciája pedig 70 Ohm körüli. Az antenna könyvben egy szó sem esett a teljes hullámúról ezért készült el ez. A Feri javaslatára a 3 vezetéket összecsavartam fúrógéppel és úgy tekertem meg. A kivitelezés nem lett tökéletes. Majd a héten veszek egy dobozt és véglegesítem. Pár napot kibír csupaszon is.
Csak 5 wattal próbáltam meghajtani eddig. Nem volt rendes műterhelésem. Azt is csak rövid ideig. A 6 menet 28uH-t ad. a teljes Balun mind a két végén 101uH lett.
Viszont lenne pár kérdésem:
Honnan tudom, hogy ez feszültség balun vagy áram balun?
Melyik antennához jó a 4:1 és a 9:1-es Balun?
Üdv Dani
Re: Balun, unun, stb.
Gondolom egy ilyen balunt keszitettel:
Jo lenne megmerni. Valamikor behozhatom a, mar regota lecserelesre varo elavult MFJ SWR meromuszerem, es megmerhetjuk egy 50 Ohmos dummy load segitsegevel, amit szinten tudok hozni. A tokeletes meres az lenne, hogy ranyomni 50 W-ot egy dummy load-on keresztul es merni a ferit homerseklet valtozasat mondjuk 1-5-10-20 perc elteltevel. Persze allandoan figyelni kell a homersekletet, mert tonkre teszi a feritet no meg az adot ha esetleg tulmelegszik. Ezt a te esetedben 7 MHz es talan 21 MHz-en megismetelni (21-en is fog menni az antennad). Persze mondjuk 1MHz es 30 MHz kozti meresekkel job kepet latnank. Sajnos a homerseklet meresre nem vagyok felkeszulve, en csak ugy nem tudomanyosan megfogom a feritet (persze kikapcsolva) es ha meleg akkor nem jo ...
Nalam az inverted-V nem rezonans antennamnal egy balanced tapvezetek vegen egy 1:4 balun van ami 160m-es savban melegszik es nem is lehet kihangolni (nem csoda, a ket antenna ag csak 12.6m). A tobbi savon melegedes nelkul mukodik.
Nalam az inverted-V nem rezonans antennamnal egy balanced tapvezetek vegen egy 1:4 balun van ami 160m-es savban melegszik es nem is lehet kihangolni (nem csoda, a ket antenna ag csak 12.6m). A tobbi savon melegedes nelkul mukodik.
73 - Istvan/ha5clf
Re: Balun, unun, stb.
Szia István,
Készítettem én is egy Balunt. Igaz, nem lett olyan szép, mint amiket te csináltál. Még tesztelés alatt van, sajnos műszer hiányában, nem tudtam túl sok mérést végezni. 6 menetet tekertem összecsavart zománcozott rézhuzalból egy 41 es vasra, amit az általad említett boltban vásároltam.
Az egészet felszereltem egy textilbakelit lemezre, amint a képen látható. Sajnos semmilyen dobozt nem találtam, ami a célnak megfelelt volna. A bedobozolás még várat magára. Egyelőre így kell megbírkóznia az időjárás viszontagságaival. Jelenleg egy 7Mhz-re hangolt félhullámú inverted-V tetején van. A rádió SWR mérője, meg se moccan adáskor. Igaz eddig csak 5 wattal próbálgattam.
Üdv Dani
Készítettem én is egy Balunt. Igaz, nem lett olyan szép, mint amiket te csináltál. Még tesztelés alatt van, sajnos műszer hiányában, nem tudtam túl sok mérést végezni. 6 menetet tekertem összecsavart zománcozott rézhuzalból egy 41 es vasra, amit az általad említett boltban vásároltam.
Az egészet felszereltem egy textilbakelit lemezre, amint a képen látható. Sajnos semmilyen dobozt nem találtam, ami a célnak megfelelt volna. A bedobozolás még várat magára. Egyelőre így kell megbírkóznia az időjárás viszontagságaival. Jelenleg egy 7Mhz-re hangolt félhullámú inverted-V tetején van. A rádió SWR mérője, meg se moccan adáskor. Igaz eddig csak 5 wattal próbálgattam.
Üdv Dani
