Szerintem ez is jó, csak lehessen tudni, hogy melyik csatlakozóra vonatkozik, ha már be van dobozolva.
http://forum.ha5kdr.hu/download/file.php?id=701&t=1
73! de HA4AA András
CAT PTT illesztő
Moderator: ha5clf
Re: CAT PTT illesztő
Ha azt írjuk rá. hogy bedugni a csatlakozóba, az jó lesz?ha4aa wrote:Kedves Tibor '5CUT és István '5IS!
Az összes csatlakozóra tegyetek feliratot, hogy az mire való.73! de HA4AA András
I(con hg5icon ex hg5cut a Budapest Fővárosi Rádióamatőr Klub Alapító Elnöke
Re: CAT PTT illesztő
Kedves Tibor '5CUT és István '5IS!
Gratulálok az eddigi eredményekhez! Egy apró, de szerintem fontos javaslatom lenne. Az összes csatlakozóra tegyetek feliratot, hogy az mire való.
73! de HA4AA András
Gratulálok az eddigi eredményekhez! Egy apró, de szerintem fontos javaslatom lenne. Az összes csatlakozóra tegyetek feliratot, hogy az mire való.
73! de HA4AA András
Re: CAT PTT illesztő
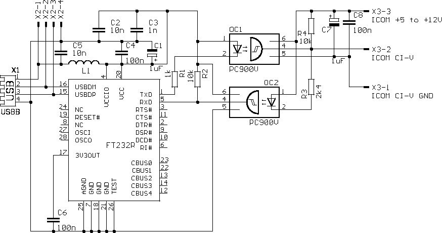
Mivel a feszültség kétszerező ptt áramkőr nem nyerte el a tetszésünket ezért kellett valami új áramkőri megoldást keresni. Az LM358 műveleti erősítővel már igen korrekt "vox" áramkőr építhető.
Próbapanelon el is készült, s tökéletesen működik.
Mivel a mai számítógépeken már nem alapfelszereltség a soros port ezért virtuálisan kell megoldani a problémát. A galvanikus elválasztást is megoldottuk, így a keletkező földhurkok miatti zavarokat kiküszöböltük.
Még messze nem a végleges áramkőr de már működik!
Próba képpen egy gyári panelos USB soros átalakítóval is kipróbáltuk.
A fejlesztés még nem állt meg, további módosítások várhatók, s ha ötleted van azt is szívesen olvassuk.
ha5is István és hg5cut Tibor (konstruktőr szakosztály)
ha5is István és hg5cut Tibor (konstruktőr szakosztály)
I(con hg5icon ex hg5cut a Budapest Fővárosi Rádióamatőr Klub Alapító Elnöke
CAT PTT illesztő
Van a klubban az ICom 746 rádió s jött az ötlet kössük össze a CAT kábellel a rádiót és a számítógépet. Oké, de hogyan? Kerestünk gyorsan egy rajzot.
Gyorsan jött még egy ötlet hogy legyen plusz "hangzó távíró" ptt is.
Ha már akarjuk az FLDigi programot is használni: http://www.w1hkj.com/FldigiHelp-3.21/ht ... _page.html No ez már kezd bonyolult lenni, ezért kell hozzá némi segédlet, hogy mit hova kell kötni. Áramköri panel tervezés, kész az áramkőr, összeszerelés és jöhet a próba. folyt. köv.:
Ha már akarjuk az FLDigi programot is használni: http://www.w1hkj.com/FldigiHelp-3.21/ht ... _page.html No ez már kezd bonyolult lenni, ezért kell hozzá némi segédlet, hogy mit hova kell kötni. Áramköri panel tervezés, kész az áramkőr, összeszerelés és jöhet a próba. folyt. köv.:
I(con hg5icon ex hg5cut a Budapest Fővárosi Rádióamatőr Klub Alapító Elnöke
